Product image for Burndy YAV10T21FBOX Uninsulated Fork Terminal For 12 - 10 AWG
Image thumbnail 0
Image thumbnail 1
Image thumbnail 2

Email

Burndy YAV10T21FBOX Uninsulated Fork Terminal For 12 - 10 AWG

Manufacturer: Burndy | Catalog # YAV10T21FBOX | North Coast Part # 116782

$3.32/ea
Order in multiples of 50 (pack qty)
Log in or register to view your price, purchase history, and more!
Next Day Delivery not avail / contact sales for lead times & return policy
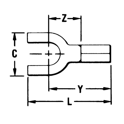
Seamless Uninsulated Fork Tongue Terminal, 12-10, 0.91 in L.

Technical Information

Applications
For Use On Copper Commercial (Code) Cable, Type AN Aircraft Cable And Extra Flexible Conductors
Cable Size
12 - 10 AWG
Conductor Size
10 AWG
Connection Type
Fork Terminal
Material
Copper
Plated?
Yes
Plating Type
Tin
Stud Size
0.164-0.19 in
Type
Fork Tongue

Manufacturer Information

Brand
Hubbell Incorporated
Sub Brand
Burndy

General Product Info

12-Digit UPC
781810542002
GTiN
00781810542002
Product UPC
78181054200

Dimensions

Height
0.22 Inch
Length
0.99 Inch
Overall Length
25 mm
Width
0.38 in

Certifications and Compliance

Country of Origin
USA
CSA
Yes
Features
  • Manufactured from seamless pure electrolytic copper tubing to provide maximum conductivity, low resistance and excellent ductility for crimping
  • Seamless tubular crimp barrel design - No seams to split resulting in a very high quality electrical connection, also can be used on solid conductor
  • Double thick tongue structurally a very strong terminal tongue
  • Produced from tubular copper, extra copper material assures the compression connector will operate cooler than the conductors it connects
  • Internally bevelled barrel for easy cable entry, especially for flexible conductors
  • Inspection hole provides easy visual check for proper conductor insertion
  • Electro-tin plated for a long lasting durable corrosion resistance

Compare