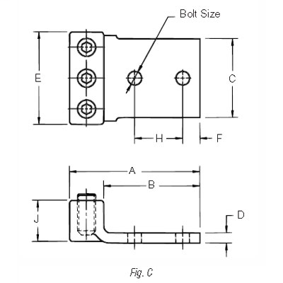
Product image for Blackburn 32013TB 2-Bolt 3 Barrel Lug Connector
Image thumbnail 0
Image thumbnail 1
Image thumbnail 2

Email

Blackburn 32013TB 2-Bolt 3 Barrel Lug Connector

Manufacturer: Thomas & Betts / Blackburn | Catalog # 32013TB | North Coast Part # 118944

$1,259.98 /ea
ea
Order in multiples of 5 (pack qty)
Log in or register to view your price, purchase history, and more!
Next Day Delivery not avail / contact sales for lead times & return policy
Locktite Copper Triple-Barrel Lug for Conductor Range 4/0 to 300

Technical Information

Material
Copper
Standard
UL E9809
Type
Locktite Connectors

Manufacturer Information

Brand
Blackburn

General Product Info

12-Digit UPC
786210802848
GTiN
00786210802848
Product UPC
78621080284

Compare