Product image for Blackburn 32015BD Locktite Copper Double Barrel Lug
Image thumbnail 0
Image thumbnail 1
Image thumbnail 2

Email

Blackburn 32015BD Locktite Copper Double Barrel Lug

Manufacturer: Thomas & Betts / Blackburn | Catalog # 32015BD | North Coast Part # 119102

$1,078.03 /ea
ea
Log in or register to view your price, purchase history, and more!
Next Day Delivery not avail / contact sales for lead times & return policy
Locktite Copper Double-Barrel Lug for Conductor Range 300-500 kcmil

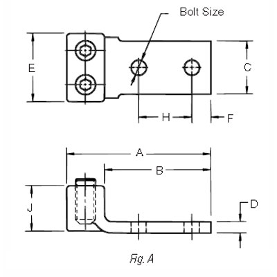
Technical Information

Bolt Size
1/2 in
Conductor Size
300-500 kcmil
Conductor Type
Copper
Material
Copper
Standard
UL E9809
Type
Double Barrel
Voltage
600 VAC

Manufacturer Information

Brand
ABB
Sub Brand
Blackburn®, Locktite®

General Product Info

12-Digit UPC
786210802862
GTiN
00786210802862
Product UPC
78621080286
Features
  • Easy installation. High conductivity. Wide cable range.
  • Screw tightening. Serrated saddle. Built-in lockwasher.

Compare