Product image for Thomas & Betts 54816BE Long Barrel Lug
Image thumbnail 0
Image thumbnail 1
Image thumbnail 2

Email

Thomas & Betts 54816BE Long Barrel Lug

Manufacturer: Thomas & Betts | Catalog # 54816BE | North Coast Part # 179636

$1,532.28 /c (100 ea)
ea
Order in multiples of 5 (pack qty)
Log in or register to view your price, purchase history, and more!
Next Day Delivery not avail / contact sales for lead times & return policy
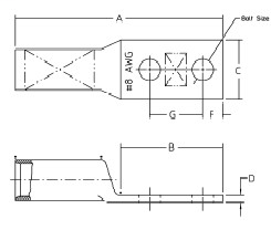
Copper Two-Hole Lug, Long Barrel, Blind End, Max 35kV, Wire Size 3/0 AWG, 3/8 Inch Bolt Size, 1 Inch Hole Spacing, Tin Plated, Die Code 50, Die Color Code Orange

Technical Information

Barrel Length
Long
Barrel Shape
Standard
Barrel Type
Long, Straight
Cable Size
3/0 AWG
Conductor Size
3/0 AWG
Die Code
50
Insulated?
No
Material
Copper
Number of Holes
2 Hole
Number of Studs
2
Standard
UL E9809
Stud Size
3/8 in
Tongue Angle
Straight
Tongue Width
Standard
Type
Long Barrel
Voltage
35 kV
Wire Size
000 AWG

Manufacturer Information

Brand
ABB
Sub Brand
Color-Keyed®

General Product Info

12-Digit UPC
786210189253
Color
Orange
Finish
Tin Plated
GTiN
05415022348163
Product UPC
78621018925
Shape
Round
Notes
  • Dimensions given for reference only. Dimensions may vary up to .030.

Compare